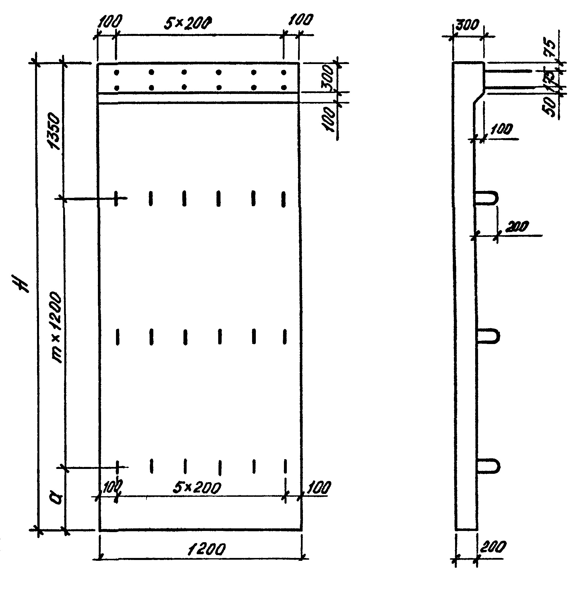
Плита фундаментная плоская ППФ 9-45 ТУ представляет собой железобетонное изделие, предназначенное для использования в строительстве фундаментов зданий и сооружений. Она имеет прочную структуру и высокую надежность, что обеспечивает долгий срок службы и устойчивость к нагрузкам.
Плита фундаментная плоская ППФ 9-45 ТУ широко используется при возведении зданий различного типа и назначения. Она применяется для создания прочного и устойчивого фундамента, который обеспечивает надежную основу для строения. Это изделие идеально подходит для строительства жилых домов, административных зданий, складов, промышленных сооружений и других объектов. Плита фундаментная плоская ППФ 9-45 ТУ обеспечивает равномерное распределение нагрузок и защиту от деформаций, что делает ее незаменимым элементом при строительстве.









