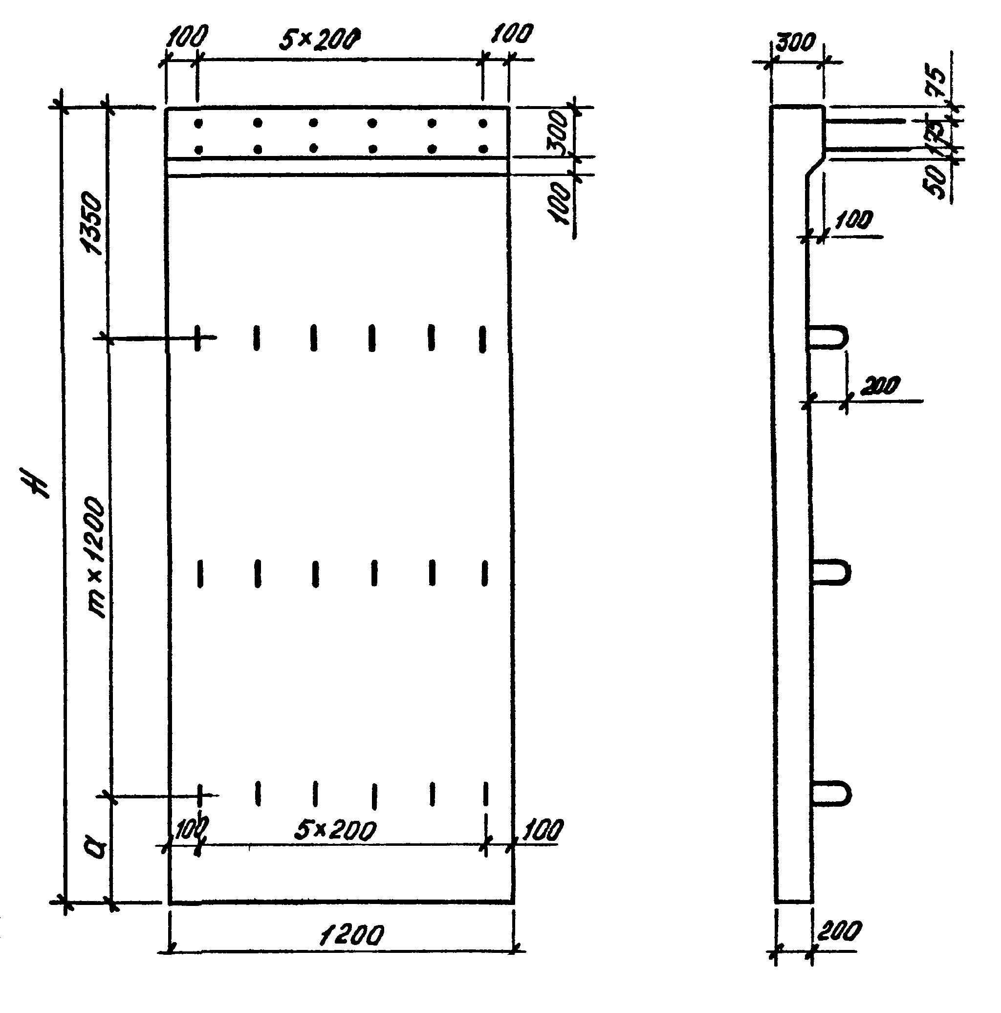
Плита фундаментная плоская ППФ 15-87 ТУ представляет собой железобетонное изделие, предназначенное для использования в строительстве фундаментов зданий и сооружений. Она имеет прочную структуру и высокую надежность, что обеспечивает долгий срок службы и устойчивость к различным нагрузкам. Плита обладает плоской поверхностью, что облегчает ее укладку и обеспечивает ровное распределение нагрузки на грунт.
Плита фундаментная плоская ППФ 15-87 ТУ широко используется в строительстве жилых, коммерческих и промышленных объектов. Она применяется для создания прочных и устойчивых фундаментов, обеспечивая надежную основу для строительных конструкций. Плиты также могут использоваться для устройства временных площадок, парковочных мест и других объектов инфраструктуры. Благодаря своей прочности и долговечности, плиты фундаментные плоские являются незаменимым материалом для строительства различных типов зданий и сооружений.









